Termékek
Automatikus fénykapcsoló időzítő
  • Automatikus fénykapcsoló időzítőAutomatikus fénykapcsoló időzítő
  • Automatikus fénykapcsoló időzítőAutomatikus fénykapcsoló időzítő
  • Automatikus fénykapcsoló időzítőAutomatikus fénykapcsoló időzítő
  • Automatikus fénykapcsoló időzítőAutomatikus fénykapcsoló időzítő

Automatikus fénykapcsoló időzítő

XUCKY kiváló minőségű automatikus fénykapcsoló időzítő, ALST8 lépcsőházi időkapcsoló elérhető DIN sínben. Működési ideje 1 perctől 7 percig terjed, és elektronikus túlterhelés elleni védelemmel van felszerelve.

XUCKY kiváló minőségű automatikus fénykapcsoló időzítő, ALST8 lépcsőházi időkapcsoló elérhető DIN sínben. Működési ideje 1 perctől 7 percig terjed, és elektronikus túlterhelés elleni védelemmel van felszerelve.

● Billenőkapcsoló az állandó világítás bekapcsolásához

● Nincs zárt áramkörű áramfelvétel

● Külső nyomógombos vezérlés

● Megbízható a szinkronmotoros hajtásnak köszönhetően

II az EN 60 730-1 szerint

● Precíziós mechanika és ezért pontos kapcsolási periódus

2. Az időkapcsoló lehetővé teszi a kapcsolóval való csatlakoztatást (neonfénnyel vagy anélkül).


Leírás

Az XUCKY kiváló minőségű automatikus világításkapcsoló időzítő elektromos kapcsolódobozban történő alkalmazásra szolgál egy adott áramkör kikapcsolásához 1 perctől 7 percig tartó visszaszámlálási idővel. It can also works as a normal on/off switch. A visszaszámláló időkapcsoló lehetővé teszi számos kapcsoló csatlakoztatását (neonkapcsolóval vagy anélkül) különböző helyeken a kényelmesebb vezérlés érdekében.


Termék kiválasztása

Feszültség

2300 VA

Frekvencia

50 Hz

Kapcsolási kapacitás

16A


Maximális ajánlott terhelés (10 000 művelet)

Izzólámpa/halogén lámpa terhelése 230V

Fénycső terhelés (hagyományos) lead-lag áramkör

Fénycső terhelés (hagyományos) párhuzamosan korrigált

Energiatakarékos lámpák

LED lámpa < 2 W

LED lámpa 2-8 W

LED lámpa > 8 W

2300 W

2300 VA

1300 VA 70 μF

150 W

30 W

300 W

300 W


Műszaki adatok

Fénycső terhelés (elektronikus előtét)

600 W

Csatlakozás típusa

3-/4-vezetős

Másodlagos kapcsolás

A 30-as évek után

Megengedett környezeti hőmérséklet

Magas hőmérsékletnek ellenálló, önkioltó hőre lágyuló műanyag

Készenléti fogyasztás

0 W

A védelem típusa

IP 20

Védelmi osztály

II az EN 60 730-1 szerint

Megengedett környezeti hőmérséklet

-10 ~ +50 °C (jegesedésmentes)

Teszt jóváhagyása

CE


Műszaki adatok

Névleges áram 230V ~ 50Hz
Ohmos terhelés 16A, maximum 3680W
Induktív terhelés 230V~, 4A /cosΦ0,4
Visszaszámlálási időszak 1 perctől 7 percig
Pontosság 0-1 perc: ±10 másodperc
0-7 perc: ±18 másodperc
IP minősítés IP20
Üzemi hőmérséklet -10°C és 55°C között


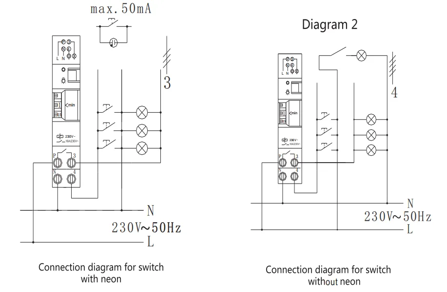
Bekötési rajzok


Felszerelés és csatlakoztatás

1. Az elektromos kapcsolódobozba történő egyszerű beszerelésre tervezték, egyszerűen akassza fel az időzítőt a korlátra, és nyomja addig, amíg kattanást nem hall. Az eltávolításhoz húzza le az időzítő alján található reteszt, hogy kioldja.

2. Az időkapcsoló lehetővé teszi a kapcsolóval való csatlakoztatást (neonfénnyel vagy anélkül).

a. Csatlakoztassa a vezetékeket az 1. ábra szerint a neon kapcsolóhoz és a 2. ábra a neon nélküli kapcsolóhoz.

b.Fordítsa a kapcsolót állásba, a tápellátás mindig be legyen kapcsolva.

c. A visszaszámlálási funkciókhoz forgassa el az idő gombot a kívánt visszaszámlálási időtartamra (1 percről 7 percre).

d.Ezután állítsa a kapcsolót állásba, az áramellátás kikapcsol. Az időkapcsoló készenléti üzemmódban van a visszaszámlálás funkcióhoz.

e. Nyomja meg a neon kapcsolót a visszaszámláló funkció aktiválásához, és a tápfeszültség bekapcsol. Az előre beállított időnek megfelelően automatikusan kikapcsol.

f. A neon teljes áramerőssége nem haladhatja meg az 50 mA-t. Ha egy neon 1mA áramot vezet, akkor ne csatlakoztasson 50-nél több neon kapcsolót a visszaszámláló időkapcsolóhoz.

a. Csatlakoztassa a vezetékeket az 1. ábra szerint a neon kapcsolóhoz és a 2. ábra a neon nélküli kapcsolóhoz.

3. Ha az időkapcsoló visszaszámláló módban van, nem lesz interfész:

A csatlakoztatott kapcsoló megnyomása (neonkapcsolóval vagy anélkül). Az idő gomb elforgatása különböző visszaszámlálási időszakra.



Hot Tags: Automatikus fénykapcsoló időzítő, Kína, gyártó, szállító, gyár
Kérdés küldése
Elérhetőségei

Igényelje ingyenes árajánlatát és minta testreszabott megoldást

Nyújtsa be érdeklődését még ma, és tegyen ajánlatot az Ön specifikációira szabott versenyképes ajánlattal.

X
Cookie-kat használunk, hogy jobb böngészési élményt kínáljunk, elemezzük a webhely forgalmát és személyre szabjuk a tartalmat. Az oldal használatával Ön elfogadja a cookie-k használatát. Adatvédelmi szabályzat
Elutasít Elfogadás